客服:
财务:
服务时间 :09:00-19:00电容降压的工作原理并不复杂。阻容降压的工作原理是利用电容在一定的交流信号频率下产生的容抗来限制最大工作电流。同时在电容器上串联一个阻性元件,则阻性元件两端所得到的电压和它所产生的功耗完全取决于这个阻性元件的特性。
因此,电容降压实际上是利用容抗限流,而电容器实际上起到一个限制电流和动态分配电容器和负载两端电压的角色。
例如,在50Hz的工频条件下,一个1uF的电容所产生的容抗约为3180欧姆。当220V的交流电压加在电容器的两端,则流过电容的最大电流约为70mA。虽然流过电容的电流有70mA,但在电容器上并不产生功耗,因为如果电容是一个理想电容,则流过电容的电流为虚部电流,它所作的功为无功功率。
根据这个特点,我们如果在一个1uF的电容器上再串联一个阻性元件,则阻性元件两端所得到的电压和它所产生的功耗完全取决于这个阻性元件的特性。例如,我们将一个110V/8W的灯泡与一个1uF的电容串联,在接到220V/50Hz的交流电压上,灯泡被点亮,发出正常的亮度而不会被烧毁。因为110V/8W的灯泡所需的电流为8W/110V=72mA,它与1uF电容所产生的限流特性相吻合。
同理,我们也可以将5W/65V的灯泡与1uF电容串联接到220V/50Hz的交流电上,灯泡同样会被点亮,而不会被烧毁。因为5W/65V的灯泡的工作电流也约为70mA。因此,电容降压实际上是利用容抗限流。而电容器实际上起到一个限制电流和动态分配电容器和负载两端电压的角色。
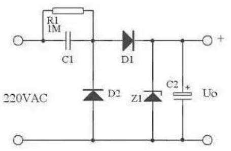
图1为阻容降压的典型应用,C1为降压电容,R1为断开电源时C1的泄放电阻,D1为半波整流二极管;D2在市电的负半周为C1提供放电回路,否则电容C1充满电就不工作了,Z1为稳压二极管,C2为滤波电容。输出为稳压二极管Z1的稳定电压值。
图1
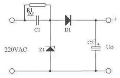
在实际应用中,可以用2图代替图1,这里用了Z1正向特性和反向特性,其反向特性(也就是其稳压特性)来稳定电压,其正向特性用来在市电负半周给C1提供放电回路。
图2
在较大电流的应用中,可以用全波整流,如图3。
图3
在小电压全波整流输出时,最大输出电流即为:
容抗 Xc=1/(2πfC)
电流 Ic = U/Xc=2πfCU
使用电容降压时要注意以下几点:
1)根据负载电流和交流工作频率选择合适的电容器,而不是依据负载的电压和功率。
2)限流电容器必须是无极性电容器,不得使用电解电容器。电容电压必须在400V以上,最理想的电容器是铁壳油浸电容器。
3)电容降压器不能在大功率条件下使用,因为它不安全。
4)电容降压器不适用于动态负载条件。
5)5.电容降压器不适用于容性和感性负载。
6)当需要直流操作时,应尽量采用半波整流。不建议使用桥式整流器。而要满足恒载的条件。
