客服:
财务:
服务时间 :09:00-19:00
将交流市电转换为低压直流的常规方法是采用变压器降压后再整流滤波,当受体积和成本等因素的限制时,最简单实用的方法就是采用电容降压式电源。
一、电路原理

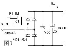
电容降压式简易电源的基本电路如图1,C1为降压电容器,D2为半波整流二极管,D1在市电的负半周时给C1提供放电回路,D3是稳压二极管,R1为关断电源后C1的电荷泄放电阻。在实际应用时常常采用的是图2的所示的电路。当需要向负载提供较大的电流时,可采用图3所示的桥式整流电路。
整流后未经稳压的直流电压一般会高于30伏,并且会随负载电流的变化发生很大的波动,这是因为此类电源内阻很大的缘故所致,故不适合大电流供电的应用场合。
二、器件选择
1.电路设计时,应先测定负载电流的准确值,然后参考示例来选择降压电容器的容量。因为通过降压电容C1向负载提供的电流Io,实际上是流过C1的充放电电流Ic。C1容量越大,容抗Xc越小,则流经C1的充、放电电流越大。当负载电流Io小于C1的充放电电流时,多余的电流就会流过稳压管,若稳压管的最大允许电流Idmax小于Ic-Io时易造成稳压管烧毁.
2.为保证C1可靠工作,其耐压选择应大于两倍的电源电压。
3.泄放电阻R1的选择必须保证在要求的时间内泄放掉C1上的电荷。
三、设计举例
图2中,已知C1为0.33μF,交流输入为220V/50Hz,求电路能供给负载的最大电流。 C1在电路中的容抗Xc为:
Xc=1 /(2 πf C)= 1/(2*3.14*50*0.33*10-6)= 9.65K
流过电容器C1的充电电流(Ic)为:
Ic = U / Xc = 220 / 9.65 = 22mA。
通常降压电容C1的容量C与负载电流Io的关系可近似认为:C=14.5 I,其中C的容量单位是μF,Io的单位是A。
电容降压式电源是一种非隔离电源,在应用上要特别注意隔离,防止触电。
