客服:
财务:
服务时间 :09:00-19:00PLC要实现对各接口的通断和电平状态信息进行识别和处理,必须把它们转换成内部计算机可以识别的变量,这些变量称之为寄存器。
根据不同机型的PLC,常用的寄存器
(1)输入寄存器(X/I)——保存各输入接口的状态。
(2)输出寄存器(Y/O)——保存各输出接口的状态。
(3)辅助寄存器(R/M)。辅助寄存器又称中间寄存器,用于保存运算中所需要的中间变量的状态。在PLC内起传递信号的作用。
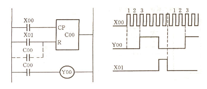
(4)计数器(C)。计数器(COUNTER,简称C或CNT)的符号及应用如图5所示。
图5 计数器 (C)
计数器有一个时钟脉冲端(CP),它接受PLC内各种软继电器送入的脉冲信号,在图4中为输入继电器触点X00,当X00由断开到闭合,每变换一次输入一个脉冲信号,那么,计数器就从当前值减1,直到计数器当前值为0时,计数器线圈通电,它的常开触点闭合、常闭触
点断开,这些触点都可以在PLC内选择使用。
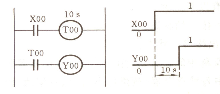
(5)定时器(T)。定时器(TIMER,简写T)的工作时间即延时时间由程序设定。定时器线圈接受到输入信号后,按数值递减的方式进行。当前数值变为0时进行一次输出,即定时器常开触点闭合。如图6所示。
图6 定时器功能图
图6为定时器功能图,当输入继电器X00接受到输入信号后,触点X00接通,即为逻辑1状态,定时器线圈通电开始计时,经过设定时间(图中为10s)后,其常开触点TOO闭合,输出继电器Y00线圈通电即为1状态。
图7 定时器的应用
图7(a)为定时器应用于常开断电延时的梯形图,当输入端有X00信号输人时,Y00通电并经其常开触点自保,因此为常开瞬时触点接通。
当输入信号X00消失时,定时器线圈TOO通电,到达设定时间后,TOO常闭触点断开,Y00线圈断电。因此构成了常开断电延时触点。
在对某触点即需要通电延时,又需要断电延时,则可采用图7(b)由两个定时器组成的电路。此电路相当于常开通电延时闭合、断电延时断开触点。由此可见,利用PLC内部继电器组成的延时电路在选型、工艺、改装等各方面都要比普通时间继电器灵活方便得多。
(6)断电保存寄存器(B/M)。PLC上电工作时,除去已闭合的输入条件,其他寄存器的值都为0。
断电保存寄存器除具有辅助寄存器功能外,还具有断电保存的功能,即PLC上电时保持上次断电时的状态。
(7)用户指令寄存器(P)。一般在内装式PLC中提供,各寄存器的含义由PLC定义。
(8)CNC状态寄存器(F)。一般在内装式PLC中提供,各寄存器的含义由数控系统软件定义。
(9)CNC控制寄存器(G)。一般在内装式PLC中提供,各寄存器的含义由数控系统软件定义。
